
MY9942是4位高精度恒流LED驱动芯片支持可选址标准/四倍DMX512传输协议、宽共模输入范围的差分信号及Gamma灰度调整。配合自适应脉冲密度调变(APDM)控制更可降低非对称电流响应造成的损耗,大幅提高画面刷新率。
独 家 标 准 DMX512 解 碼 技 术 利 用 内 置 时 钟 精 准 译 码DMX512信号。同时,MY9942藉由二个字段选择脚位及九个地址选择脚位来设定装置读取的数据内容,以符合各种灯光系统运用。差分信号接口设计支持宽共模输入范围,使MY9942更适合长距离传输及恶劣环境条件下使用(*1)。
(*1)要以低阻抗连接DMX512信号的参考地和MY9942的地
MY9942可在7至40伏特电压下工作。芯片提供4个最大承受电压40伏特的漏极开路高精度恒流350毫安沉入输出,并且藉由四个外接电阻来设定电流的输出大小。MY9942更提供Gamma灰度调整功能,利用Gamma调整值2.2将8位DMX512信号转换成14位APDM/PWM信号来提升画面灰度对比质量。同时,采用自适应脉冲密度调变控制确保画面刷新率大于2000Hz。在驱动高功率LED时,芯片支持传统脉冲调变控制降低电流切换损耗,大幅提高发光效能。
MY9942更可藉由将多组恒流输出接口短路及设定字段数据读取模式直接驱动高瓦数LED。MY9942简化电路板所需的被动组件而且提供了±1.5%的通道间电流输出精度。MY9942提供28脚位的TSSOP封装型式以适用于不同应用需求且可以在-40°C到+85°C的外在环境下工作。
✦ White / CW.WW/ R.G.B/R.G.B.W运用
✦ 1/2/3/4组字段(slot)数据读取模式
✦ 7~40伏特电源电压
✦ 5~350毫安恆流输出范围
✦ 可承受之最大输出电压40伏特
✦ 四个外接电阻来设定输出电流
✦ ±1.5%(一般值) 通道间电流差异值
✦ ±3.0%(一般值) 芯片间电流差异值
✦标准DMX512协议(USITT DMX512-A)
✦支持四倍DMX512协议(传输速率=1MHz)
✦ 支持宽共模输入电压范围的DMX512差分信
✦Gamma调整值,2.2,将8位DMX512信号转换成14位APDM信号
✦14位自适应脉冲密度调变控制(16,384灰阶)
✦14位传统不打散脉冲调变控制支持高瓦数LED运用
✦LED驱动运用时,支持大于2000Hz画面刷新率
✦PWM信号产生器运用时,支持大于120Hz画面刷新率
✦9个芯片接脚来设定512组DMX512地址
✦内置时钟支持DMX512译码及灰阶调变时钟
✦ -40°C到+85°C的环境温度操作范围
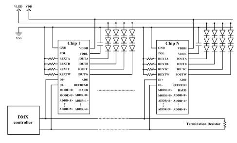
❑ 标准DMX512控制系统
❑ 舞台灯光系统
❑ 建筑装饰及照明
❑ LED网状屏、水底灯、洗墙灯、投射灯…等
| 编号 | 封装资讯 | |
| MY9942TE | TSSOP28-173mil-0.65mm | 2500 pcs/Reel |

