
MY9933是3通道高精度恒流LED驱动芯片支持单线自动定址标准DMX512传输协议、宽共模输入范围的差分信号及Gamma灰度调整。配合自适应脉冲密度调变(APDM)控制更可降低非对称电流响应造成的损耗,大幅提高画面刷新率。
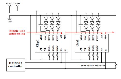
独家标准 DMX512解碼技术利用内置时钟精准译码DMX512信号。同时,MY9933藉由一条单线自动定址路径来设定装置读取的数据内容,以符合各种灯光系统运用。差分信号接口设计支持宽共模输入范围,使MY9933更适合长距离传输及恶劣环境条件下使用(*1)。
(*1)要以低阻抗连接DMX512信号的参考地和MY9943的地
MY9933可在7至40伏特电压下工作。芯片提供3个最大承受电压40伏特的漏极开路高精度恒流60毫安沉入输出,并且藉由三个外接电阻来设定电流的输出大小。MY9933更提供Gamma灰度调整功能,利用Gamma调整值2.2将8位DMX512信号转换成14位APDM/PWM信号来提升画面灰度对比质量。同时,采用自适应脉冲密度调变控制确保画面刷新率大于2000Hz。在驱动高功率LED时,芯片支持传统脉冲调变控制降低电流切换损耗,大幅提高发光效能。
MY9933简化电路板所需的被动组件而且提供了±1.5%的通道间电流输出精度。MY9933提供SOP14封装型式以适用于不同应用需求且可以在-40°C到+85°C的外在环境下工作。
✦ R.G.B 三通道恒流输出
✦ 7 ~ 40伏特电源电压
✦ 5~60毫安 恆流输出范围
✦ 可承受之最大输出电压40伏特
✦ 三个外接电阻来设定输出电流
✦ ±1.5% (一般值) 通道间电流差异值
✦ ±3.0% (一般值) 芯片间电流差异值
✦ 标准DMX512协议 (USITT DMX512-A)
✦ 独家单线自动定址技术
✦ 支持宽共模输入电压范围的DMX512差分信号
✦ Gamma调整值,2.2,将8位DMX512信号转换成14位APDM信号
✦ 14位自适应脉冲密度调变控制 (16,384灰阶)
✦ 14位传统不打散脉冲调变控制支持高瓦数LED运用
✦ LED驱动运用时,支持大于2000Hz画面刷新率
✦ PWM信号产生器运用时,支持大于120Hz画面刷新率
✦ 内置时钟支持DMX512译码及灰阶调变时钟
✦ -40°C到+85°C的环境温度操作范围
❑ 标准DMX512控制系统
❑ 舞台灯光系统
❑ 建筑装饰及照明
❑ LED网状屏、水底灯、洗墙灯、投射灯…等
| 编号 | 封装资讯 | |
| MY9933SC | SOP14-150mil-1.27mm | 2500 pcs/Reel |

