
MY9868B是内建双锁存显示专利技术的16通道高精度恒流LED驱动芯片,可以有效提高传统通用驱动显示屏的刷新率及LED利用率;且内建鬼影消除功能,提升扫描屏的影像表现。
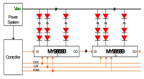
MY9868B可在3.3到5.0伏特(±10%)的工作电压下正常操作。芯片提供16个最大承受电压15伏特的漏极开路恒流沉入输出,并可藉由一个外接电阻来设定电流的输出大小。MY9868B使用4线的串行输入接口,使控制器能藉由四个输入(DI、 DCK、LAT和PDM)控制恒流输出端口以及利用资料输出(DO)使得多个驱动器能够串连在一起操作。输入端采用Schmitt trigger设计可以有效抑制讯号噪音干扰。内建电源开启重置可避免芯片错误动作。
MY9868B提供了± 3.0%(最大值)的通道间与±3.0%(最大值)芯片间电流输出精度。特性还包括了在输出电压变化下的±0.1%的稳定电流输出能力以及快速电流输出暂态响应。MY9868B提供24脚位的SSOP/QFN封装型式以适用于不同应用需求且可以在-40°C到+85°C的外在环境下工作。
✦ 3.3~5.0伏特电源电压(±10%)
✦ 2~30毫安恒流输出(在5伏特操作电压)
✦ 2~20毫安恒流输出(在3.3伏特操作电压)
✦ 可承受的最大输出电压15伏特
✦ ±3.0% (最大值) 通道间直流电流差异值
✦ ±3.0% (最大值) 芯片间直流电流差异值
✦ 双锁存显示技术(明阳专利)
✦ 比通用基本款芯片有更高的刷新率、LED利用率、 灰阶表现、亮度均一性
✦ 比传统PWM芯片有更高的刷新率与亮度均一性
(扫描屏应用下)
✦ 利用一个外接电阻来设定电流
✦ 鬼影消除功能(建議搭配系统消影电路)
✦ -40°C 到+85°C 的环境温度操作范围
❑ 室内及户外LED显示板
❑ 可变资讯看板 (VMS)
❑ LED点矩阵模块
❑ 建筑及装饰照明
❑ 工业照明
❑ LCD显示背光
| 编号 | 封装资讯 | |
| MY9868BSS | SSOP24-150mil-0.635mm | 2500 pcs/Reel |
| MY9868BQF | QFN24-4mmx4mm-0.5mm | 3000 pcs/Reel |

