
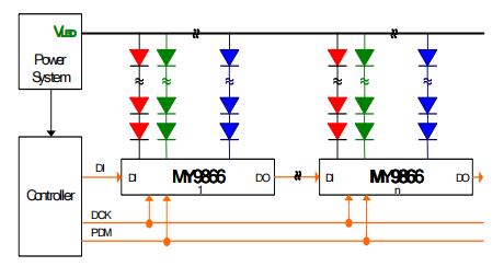
MY9866是内建双锁存显示专利技术的18通道高精度恒流LED驱动芯片,可以有效提高传统通用驱动显示屏的刷新率及LED利用率;且内建鬼影消除功能,提升扫描屏的影像表现。
MY9866可在3.3到5.0伏特(±10%)的工作电压下正常操作。芯片提供18个最大承受电压15伏特的漏极开路恒流沉入输出,并可藉由一个外接电阻来设定电流的输出大小。MY9866使用3线的串行输入接口,使控制器能藉由三个输入控制端口(DI、DCK和PDM)以及利用资料输出端口(DO)使得多个驱动芯片能够串连在一起操作,同时内建自动锁存功能实现锁存信号。输入端采用Schmitt trigger设计可以有效抑制讯号噪音干扰。内建电源开启重置可避免芯片错误动作。
MY9866简化电路板所需的控制信号而且提供了±4.0%(最大值)的通道间与±4.0%(最大值)芯片间电流输出精度。特性还包括了在输出电压变化下的±0.1%的稳定电流输出能力以及快速电流输出暂态响应。MY9866提供24脚位的QFN封装型式以适用于不同应用需求且可以在-40°C到+85°C的外在环境下工作。
✦ 支持18通道恒流输出(RGB*6)
✦ 3.3~5.0伏特电源电压(±10%)
✦ 1~25mA恒流输出(5V电压,配合电流增益)
✦ 1~25mA恒流输出(4V电压,配合电流增益)
✦ 可承受的最大输出电压15伏特
✦ ±4.0% (最大值) 通道间直流电流差异值
✦ ±4.0% (最大值) 芯片间直流电流差异值
✦ 双锁存显示技术 (明阳专利)
✦ 比通用基本款芯片有更高的刷新率、 LED利用率、灰阶表现、亮度均一性
✦ 比传统PWM芯片有更高的刷新率与亮度均一性
(扫描屏应用下)
✦ 利用一个外接电阻来设定电流
✦ 每個顏色有獨立6its电流增益调整
✦ 电流补偿功能
✦ 鬼影消除功能(建议搭配系统消影电路)
✦ HBM ESD防护能力Class 3
✦ MSL Level 3
✦ -40°C 到 +85°C 的环境温度操作范围
❑ 室内及户外LED显示板
❑ 可变资讯看板 (VMS)
❑ LED点矩阵模块
❑ 建筑及装饰照明
❑ 工业照明
| 编号 | 封装资讯 | |
| MY9866QF | QFN24-3mmx4mm-0.4mm | 3000 pcs/Reel |
| MY9866QB | QFN24-2mmx4mm-0.4mm | 3000 pcs/Reel |

