
MY9862是内建双锁存显示专利技术的16通道高精度恒流LED驱动芯片,可以有效提高传统通用驱动显示屏的刷新率及LED利用率,低灰效果可透过低灰补偿与第一扫偏暗补偿功能达到完善,内建鬼影消除功能搭配系统消影电路,可有效减轻鬼影现象。
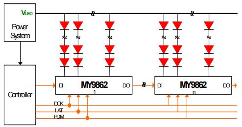
MY9862可在3.3到5.0伏特(±10%)的工作电压下正常操作。芯片提供16个最大承受电压15伏特的漏极开路恒流沉入输出,并可藉由一个外接电阻来设定电流的输出大小及透过电流增益调整功能对恒流输出作线性64阶调整。MY9862使用4线的串行输入接口,使控制器能藉由四个输入(DI、 DCK、LAT和PDM)控制恒流输出端口以及利用资料输出(DO)使得多个驱动器能够串连在一起操作。输入端采用Schmitt trigger设计可以有效抑制讯号噪音干扰。内建电源开启重置可避免芯片错误动作。
MY9862简化电路板所需的被动组件而且提供了±3.5%(最大值)的通道间与±3.5%(最大值)芯片间电流输出精度。特性还包括了在输出电压变化下的±0.1%的稳定电流输出能力以及快速电流输出暂态响应。MY9862提供24脚位的SSOP/QFN封装型式以适用于不同应用需求且可以在-40°C到+85°C的外在环境下工作。
✦ 3.3~5.0伏特电源电压(±10%)
✦ 1~30毫安恒流输出(在5伏特操作电压)
✦ 1~20~毫安恒流输出(在3.3伏特操作电压)
✦ 可承受的最大输出电压15伏特
✦ ±3.5% (最大值) 通道间直流电流差异值
✦ ±3.5% (最大值) 芯片间直流电流差异值
✦ 双锁存显示技术 (明阳专利)
✦ 比通用基本款芯片有更高的刷新率、LED利用率、 灰阶表现、亮度均一性
✦ PWM芯片有更高的刷新率与亮度均一性
(扫描屏应用下)
✦ 利用一个外接电阻来设定电流
✦ 64阶线性可编程的电流增益功能
✦ 快速电流响应
✦ 低灰补偿与第一扫偏暗补偿功能
✦ 鬼影消除功能(建議搭配系统消影电路)
✦ 低拐点电压恒流能力(20mA以下,Vo小於0.4V)
✦ 恒流输出管脚静电防护能力大于8000V(HBM)
✦ -40°C 到 +85°C 的环境温度操作范围
❑ 室内及户外LED显示板
❑ 可变资讯看板 (VMS)
❑ LED点矩阵模块
❑ 建筑及装饰照明
❑ LCD显示背光
| 编号 | 封装资讯 | |
| MY9862SS | SSOP24-150mil-0.635mm | 2500 pcs/Reel |
| MY9862QF | QFN24-4mmx4mm-0.5mm | 3000 pcs/Reel |
| MY9862QA | QFN24-4mmx4mm-0.5mm | 3000 pcs/Reel |

