
MY9748是3x16通道高精度恒流LED驱动芯片支持多路扫描脉冲密度调变(M-PDM)控制,适用于动态1/32扫以内任一扫描形式的扫描驱动显示屏运用,低灰效果可透过低灰补偿与第一扫偏暗补偿功能达到完善。
独家MPDM技术,可在不提高灰阶时钟频率的情况下,大幅提升动态扫描屏的画面刷新率,降低电磁干扰(EMI)影响显示屏质量,并且有效提高控制卡带载芯片数量。此外,独家自动插黑技术,更可有效解决动态驱动运用时的画面拖影现象。
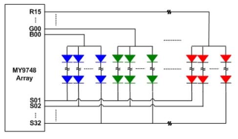
MY9748 使用 4 线的串行输入接口,内存储器空间容量3x16KBits,用来储存多组扫描灰阶数据。串行输入界面使微控器能藉由四个输入(DI、DCK、LAT 和 GCK)及资料输出(DO)控制恒流输出端口。DO 使多个驱动器能够级联在一起操作。
MY9748 可在 3.1 至 5 伏特(±10%)电压范围下工作。芯片提供 3x16 个高精度源驱动恒流输出,并可藉由三个外接电阻来设定 R/G/B LED 电流的输出大小及透过三组电流增益调整功能分别对 R/G/B 恒流输出作线性 64 阶调整。 MY9748提供了通道间±2.5%(最大值)与芯片间±2.5%(最大值)的电流输出精度。其特性还包括了在输出电压变化下的±0.1%的稳定电流输出能力。MY9748提供76脚位的QFN封装型式以适用于不同应用需求且可以在-40°C到+85°C的外在环境下工作。
✦内建扫描行管(每通道0.65A)
✦3.1~5伏特电源电压(±10%)
✦1~16毫安恒流输出范围(在5伏特操作电压)
✦1~13毫安恒流输出范围(在4.2伏特操作电压)
✦1~10毫安恒流输出范围(在3.1伏特操作电压)
✦ 3x16个源驱动恒流输出信道
✦ ±2.5%(最大值) 通道间电流差异值
✦ ±2.5%(最大值) 芯片间电流差异值
✦ R/G/BLED分别由三个外接电阻来设定电流
✦R/G/B 各有64阶线性可编程的电流增益功能
✦ 内存储器空间容量3x16KBits
✦ 适用于动态1/32扫以内任意形式之高端扫描驱动显示屏
✦最高16-bit灰阶
✦ 多路扫描脉冲密度调变(M-PDM)高刷新技术
✦ 降低EMI效应之灰阶时钟设计
✦ 灰阶时钟看门狗功能
✦ 独家自动插黑技术及上下鬼影消除技术(明阳专利)
✦ 低灰补偿与第一扫偏暗补偿功能
✦ 即时LED开路侦测与坏点消除功能
✦ 短路毛毛虫消除功能
✦ 输出通道分时使能
✦ 低灰阶刷新率提高或灰阶提高选择(明阳专利)
✦动态节能
✦Schmitt trigger输入
❑ 室内及户外LED显示板
❑ 可变资讯广告牌 (VMS)
❑ LED点矩阵模块
| 编号 | 封装资讯 | |
| MY9748QF | QFN76-9mmx9mm-0.4mm | 2500 pcs/Reel |

