
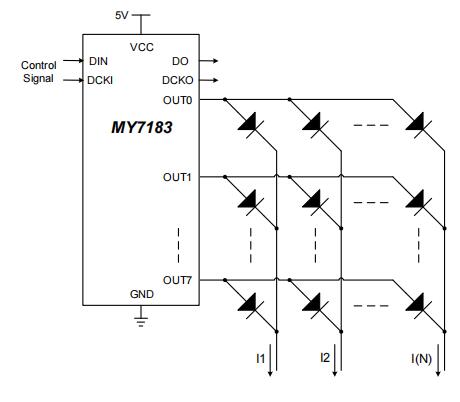
MY7183是一款专为LED扫描屏设计,集成8个功率开关,内建消影功能与串行控制界面的芯片。
MY7183内部集成电荷吸收功能,可以消除扫描屏的鬼影现象,同时也能改善因为LED短路、漏电所造成的毛毛虫现象。
MY7183有8个功率开关,每个功率开关的导通电阻为100mΩ,最大输出电流为2.5A。MY7183的串行控制界面可设定LED扫描系统的扫描数,扫描周期及第一扫的开始时间。
MY7183SC采用QFN24的封装型式。
✦ 集成8个功率开关
✦ 串行控制界面设定扫描数,扫描周期及第一扫的开始时间
✦ 鬼影消除功能
✦ 改善LED短路、漏电所造成的毛毛虫现象
✦ 单通道最大输出电流2.5A
✦ 单通道100mΩ的导通电阻
✦ 采用QFN24封装
❑ 一般室内及户外LED显示板
❑ LED扫描屏
| 编号 | 封装资讯 | |
| MY7183QF | QFN24-4mm*4mm-0.5mm | 3000 pcs/Reel |

