
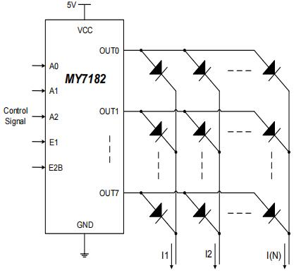
MY7182是一款专为LED扫描屏设计,集成138译码 电路及8个功率开关 ,内建消影功能的控制芯片。
MY7182内部集成电荷吸收功能,可以消除扫描屏的 鬼影现象,同时也能改善因为LED短路、漏电所造成 的毛毛虫现象。
MY7182有8个功率开关,每个功率开关的导通电阻 为100mΩ,最大输出电流为2.5A。可藉由控制MY7182的2个使能控制管脚达成扫描数的扩增。
MY7182SC采用SOP16的封装型式(*1) 。
(*1)因为受 SOP16 封装最大功率限制,最大输出电流及扫 描数会因不同温度环境而改变。如果最大输出电流~2A, 建议使用在 1/16 扫以上的应用。
✦ 集成138译码电路
✦ 集成8个功率开关
✦ 鬼影消除功能
✦改善LED短路、漏电所造成的毛毛虫现象
✦ 控制使能控制管脚达成扫描数的扩增
✦ 单通道最大输出电流2.5A
✦ 单通道100mΩ的导通电阻
✦ 低工作电流(IDD )
✦ 采用SOP16封装
❑ 一般室内及户外LED显示板
❑ LED扫描屏
| 编号 | 封装资讯 | |
| MY7182SC | SOP16-150mil-1.27mm | 2500 pcs/Reel |

